隆重推出Standex Detect——精密电子领域崭新品牌

Standex Detect隶属于全新更名的Standex Electronics产品系列。我们始终专注于精密干簧开关、传感器和继电器领域,致力于在恰当的时机以最优成本提供精准设计。欢迎阅读我们的新闻稿,深入了解此次变革如何强化我们的全球协作与创新能力。

简体中文
首页 产品 继电器 光耦合器 528 系列光耦合器

528 系列光耦合器

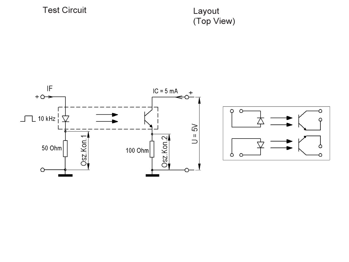
528 系列光耦合器是高隔离固态器件,专为本安电路和其他高可靠性应用中的电隔离而设计。这些光耦合器的最低隔离电压为 10,000 VDC,绝缘电阻高达 10¹² Ω,即使在易燃气体或高电气噪声环境中,也能确保输入和输出之间安全稳定的信号传输。

528 系列支持模拟和数字信号传输,具有快速开关时间(5.5 µs 开/4.2 µs 关)、最小耦合电容和光电二极管输出等特点,可缩短周期时间。非机械设计确保了较长的工作寿命和抗磁场干扰能力,而 42 毫米的扩展爬电和气路距离则满足了严格的安全要求。

这些光耦合器非常适合用于要求高隔离度和可靠性能的危险环境和工业系统。

  • 输入和输出之间的电隔离电压高达 10,000 VDC
  • 绝缘电阻高达 10¹² Ω
  • 支持模拟和数字信号传输
  • 快速开关时间(5.5 µs 开/4.2 µs 关)
  • 耦合电容最小,可实现干净的信号分离
  • 信号反转功能可实现灵活的控制逻辑
  • 非机械开关,工作寿命长
  • 不受磁场和环境干扰
  • 爬电和气路距离扩展至 42 毫米,提高了安全性
  • 双光耦合器集成在一个外壳中,结构紧凑
最小输入/输出隔离电压 (VDC)10000
电流传输比 lc/lf (lf = 10mA) Min.0.9
开启/关闭时间(微秒)5.5/4.2
集电极-发射极电压(VDC) 最大值70
蠕变距离,气路 I/O 最小值(毫米)42
环境温度 °C-40至85
  • 石油与天然气: 易燃环境控制系统的信号隔离
  • 采矿作业: 爆炸环境中的安全开关
  • 医疗设备:敏感设备中的抗 ESD 信号隔离
  • 测试测量: 精密仪器中的高速信号传输
  • 自动化系统:工业控制电路中的电隔离
  • 能源与电力系统: 可再生能源和传统能源系统中的隔离
  • 过程控制: 危险生产环境中的安全信号路由

联系Standex Detect