隆重推出Standex Detect——精密电子领域崭新品牌

Standex Detect隶属于全新更名的Standex Electronics产品系列。我们始终专注于精密干簧开关、传感器和继电器领域,致力于在恰当的时机以最优成本提供精准设计。欢迎阅读我们的新闻稿,深入了解此次变革如何强化我们的全球协作与创新能力。

简体中文
首页 产品 继电器 光耦合器 525 系列光耦合器

525 系列光耦合器

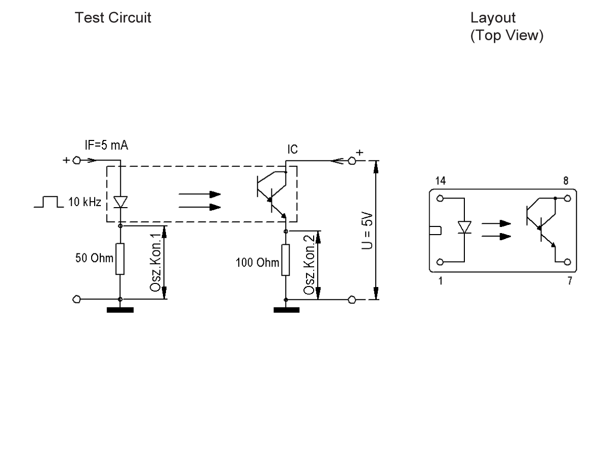
525 系列光耦合器是高隔离固态器件,专为本安电路和其他高可靠性应用中的电隔离而设计。这些光耦合器的最低隔离电压为 4,000 VDC,即使在有可燃气体或高电气噪声的环境中,也能确保输入和输出之间的安全信号传输。

525 系列符合 ATEX 和 IECEx 标准,支持模拟和数字信号传输,耦合电容极小,开关速度极快。光电二极管输出可实现较短的周期时间和信号反转功能,而非机械设计则可确保较长的工作寿命和抗磁场干扰能力。

这些光耦合器占地面积小,爬电/气路距离最远可达 14.5 毫米,符合严格的安全要求,非常适合在危险和工业环境中使用。

保护类型II (1) G [Ex ia Ga] II C
符合:EN 60079-0, EN 60079-11

  • 通过 ATEX 和 IECEx 认证,可在爆炸性或危险环境中使用
  • 输入和输出之间的电隔离电压高达 4,000 VDC
  • 支持模拟和数字信号传输
  • 快速开关时间(典型值为 5.5 µs 开/4.2 µs 关)
  • 高达 10¹² Ω 的高绝缘电阻
  • 耦合电容极小,可实现干净的信号分离
  • 设计紧凑,爬电距离和气路距离均为 14.5 毫米
  • 非机械开关,使用寿命长
  • 不受磁场和环境干扰
  • 信号反转功能可实现灵活的逻辑控制
最小输入/输出隔离电压 (VDC)4000
电流传输比 lc/lf (lf = 10mA) Min.0.5
开启/关闭时间(微秒)5.5/4.2
集电极-发射极电压 (VDC) 最大值32
蠕变距离,气路 I/O 最小值(毫米)14.5
环境温度 °C-40至85
  • 石油与天然气: 易燃环境控制系统的信号隔离
  • 采矿作业:爆炸环境中的安全开关
  • 医疗设备: 敏感设备中的抗 ESD 信号隔离
  • 测试测量: 精密仪器中的高速信号传输
  • 自动化系统: 工业控制电路中的电隔离
  • 能源与电力系统: 可再生能源和传统能源系统中的隔离
  • 过程控制:危险生产环境中的安全信号路由

联系Standex Detect